第八章 厚壁组织
术语厚壁组织(sclerenchyma)指的是由具有次生壁(secondary walls)的细胞组成的组织,这些细胞通常木质化(lignified),其主要功能是机械支持(mechanical or support)。这些细胞被认为能够使植物器官承受各种应力(strain),如拉伸、弯曲、重量和压力,而不会对薄壁的柔软细胞造成过度损伤。该词源自希腊语“skleros”,意为“坚硬”,以及“enchyma”,意为“注入”;它强调了厚壁组织壁的硬度。厚壁组织的单个细胞被称为厚壁细胞(sclerenchyma cells)。除了构成厚壁组织外,厚壁细胞与薄壁细胞(parenchyma cells)一样,可能单独或成组出现在其他组织中。在前一章(第7章)中提到,薄壁细胞和厚角细胞(collenchyma cells)都可能发生硬化(sclerified)。在这方面特别值得注意的是次生木质部(secondary xylem)的薄壁细胞,其输水细胞(管状分子(tracheary elements))也具有次生壁。因此,次生壁并非厚壁细胞所独有,因此典型的厚壁细胞与硬化的薄壁细胞或厚角细胞之间的界限,以及管状分子之间的界限,并不十分明确。厚壁细胞在成熟时可能保留也可能不保留其原生质体(protoplasts)。这种变异性增加了区分厚壁细胞和硬化薄壁细胞的难度。
厚壁细胞通常分为两类:纤维(fibers)和石细胞(sclereids)。纤维被描述为长细胞,而石细胞则被描述为相对较短的细胞。然而,石细胞可能从短到明显伸长不等,不仅在不同的植物中,在同一植物个体中也是如此。同样,纤维也可能较短或较长。一般认为,石细胞的壁上有比纤维更明显的纹孔(pitting),但这种差异并不恒定。有时,这两类细胞的起源被认为是区分性的特征:石细胞通常被认为是通过薄壁细胞的次生硬化形成的,而纤维则来自早期被确定为纤维的分生组织细胞(meristematic cells)。然而,这一标准并不完全成立。一些石细胞从早期被个体化(individualized)为石细胞的细胞分化而来(如山茶属 Camellia,Foster,1944;龟背竹属 Monstera,Bloch,1946),在某些植物中,韧皮部的薄壁细胞仅在不再参与传导的组织部分分化为纤维状细胞(第14章;Esau,1969;Kuo-Huang,1990)。当难以将细胞分类为纤维或石细胞时,可以使用术语纤维-石细胞(fiber-sclereid)。
纤维
纤维通常是长而纺锤形的细胞,具有或多或少加厚的次生壁,并且通常以束状存在(图8.1)。这些束构成了商业上的“纤维”。在从植物中提取纤维的过程中,使用的沤麻(retting,rotting的技术表达方式)过程导致纤维束与相关的非纤维细胞分离。在一个束内,纤维相互重叠,这一特征赋予了纤维束强度。与厚角组织细胞的加厚初生壁不同,纤维壁的含水量不高。因此,它们比厚角组织壁更硬,并且具有弹性而非塑性。纤维在不再伸长的植物部分中充当支持元件。纤维的木质化程度各不相同,通常来说单纹孔或略微具缘的纹孔相对较少且呈狭缝状。许多纤维在成熟时仍保留其原生质体。
纤维在植物体中广泛分布
纤维以单独的束或圆柱体形式存在于皮层和韧皮部中,作为与维管束相关的鞘或束帽,或以群集或分散的形式存在于木质部和韧皮部中。在单子叶植物和真双子叶植物的茎中,纤维以几种特征性模式排列(Schwendener, 1874; de Bary, 1884; Haberlandt, 1914; Tobler, 1957)。在许多禾本科植物中,纤维形成一个具有肋状空心圆柱体形状的系统,肋与表皮相连(图8.2A)。在玉蜀黍属 Zea、甘蔗属 Saccharum、须芒草属 Andropogon、高粱属 Sorghum(图8.2B)以及其他相关属中,维管束具有显著的纤维鞘,外围的维管束可能不规则地相互融合,或通过硬化薄壁组织联合成一个厚壁组织圆柱体。皮下薄壁组织可能强烈厚壁化(Magee, 1948)。含有长纤维(一些可超过1mm)的下皮层(hypodermis)已在玉米 Zea mays中被记录(Murdy, 1960)。(下皮层由位于表皮(epidermis)下方的一层或多层细胞组成,与基本组织(ground tissue)的其他邻近细胞不同。)在棕榈类植物中,中央柱(central cylinder)由可能宽达数英寸的硬化区(sclerotic zone)界定(Tomlinson, 1961)。它由具有大量径向延伸的纤维鞘的维管束(vascular bundles)组成。相关的基本薄壁组织(ground parenchyma)也会硬化。此外,纤维束出现在皮层(cortex)中,少数出现在中央柱中。在其他单子叶植物中可能会发现其他的模式,并且在同一植物的茎的不同水平上模式可能会有所不同(Murdy, 1960)。纤维在单子叶植物的叶子中可能很突出(图8.2E)。在这里,它们形成包围维管束的鞘,或独立成束,延伸在表皮和维管束之间,亦或是与维管束无关的表皮下束。
在被子植物(angiosperms)的茎中,纤维经常出现在初生韧皮部(primary phloem)的最外层,形成或多或少广泛的吻合束(anastomosing strands)或切向板(tangential plates)(图8.2C, F)。在一些植物中,韧皮部中除了外围纤维(初生韧皮部纤维)外没有其他纤维(桤木属 Alnus, 桦木属 Betula, 亚麻属, 夹竹桃属 Nerium)。其他植物在次生韧皮部(secondary phloem)中也发育纤维,或少(烟草属 Nicotiana, 梓属 Catalpa, 苎麻属 Boehmeria)或多(铁线莲属 Clematis, 胡桃树 Juglans, 北美木兰属 Magnolia, 栎属 Quercus, 刺槐属 Robinia, 椴属, 葡萄属 Vitis)。一些真双子叶植物(eudicots)具有完整的纤维柱,要么靠近维管组织(老鹳草属 Geranium, 天竺葵属 Pelargonium, 忍冬属 Lonicera, 一些虎耳草科植物 Saxifragaceae, 石竹科植物 Caryophyllaceae, 小檗科植物 Berberidaceae, 报春花科植物 Primulaceae),要么远离它们,但仍位于皮层最内层的内侧(图8.2H; 马兜铃属, 南瓜属 Cucurbita)。在没有次生生长的真双子叶植物茎中,孤立的维管束可能在内外两侧都伴有纤维束(蓼属 Polygonum, 大黄属 Rheum, 千里光属 Senecio)。具有木质部内部韧皮部的植物可能具有与该韧皮部相关的纤维(烟草属)。最后,被子植物中纤维的一个高度特征性位置是初生和次生木质部,它们在那里有各种排列(第11章)。根的纤维分布与茎相似,可能在初生(图8.2D)和次生结构中具有纤维。球果类(conifers)通常在初生韧皮部中没有纤维,但可能在次生韧皮部中具有纤维(红杉属 Sequoia, 红豆杉属 Taxus, 崖柏属 Thuja)。皮层纤维有时出现在茎中(图8.2G)。


纤维可分为两大类,木质部纤维和木质部外纤维

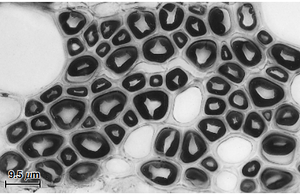
木质部纤维(xylary fibers)是木质部的纤维,木质部外纤维(extraxylary fibers)是位于木质部外部的纤维。在木质部外纤维中有韧皮部纤维(phloem fibers)。韧皮部纤维出现在许多茎中。亚麻(Linum usitatissimum)茎中仅有一圈纤维,深度上有多层,位于维管柱的外围(图8.3)。这些纤维起源于初生韧皮部(原生韧皮部)的最早部分,但在该部分韧皮部停止传导功能后成熟为纤维(图8.4)。因此,亚麻纤维是初生韧皮部纤维(primary phloem fiber)或原生韧皮部纤维(protophloem fiber)。Sambucus(接骨木)、Tilia(椴树)、Liriodendron(鹅掌楸)、Vitis(葡萄)、Robinia pseudoacacia(刺槐)以及许多其他植物的茎中既有初生韧皮部纤维,也有次生韧皮部纤维,后者位于次生韧皮部内(图8.2C)。
在双子叶植物的茎中,还常见另外两类木质部外纤维:皮层纤维和周维管纤维。皮层纤维(cortical fiber),顾名思义,起源于皮层(图8.2G)。周维管纤维(perivascular fiber)位于维管柱的外围,位于最内层皮层的内部(图8.2H;马兜铃属和南瓜属)。它们并非起源于韧皮部组织,而是起源于其外部。周维管纤维通常指的是中柱鞘纤维(或译为周鞘纤维,pericyclic fiber)。然而,“pericyclic”这一术语也常用于指代初生韧皮部纤维(Esau, 1979)。(关于“pericyclic”术语的评估,参见Blyth, 1958。)木质部外纤维还包括单子叶植物中的纤维,无论是否与维管束相关。
木质部外纤维的细胞壁通常非常厚。在亚麻的韧皮部纤维中,次生壁可能占细胞横截面积的90%(图8.3)。这些木质部外纤维的次生壁具有明显的多层结构,各层的厚度从0.1到0.2μm不等。并非所有木质部外纤维都具有这种壁结构。在成熟的竹秆中,一些纤维壁显示出高度的多层结构,而另一些则没有清晰可见的层(Murphy和Alvin, 1992)。此外,大多数木本被子植物和球果类的次生韧皮部纤维的次生壁仅由两层组成,一层薄的外层(S1)和一层厚的内层(S2)(Holdheide, 1951; Nanko等, 1977)。一些木质部外纤维具有木质化的壁;而另一些的壁则含有少量或不含木质素(亚麻、大麻、苎麻)。一些木质部外纤维,尤其是单子叶植物的纤维,强烈木质化。

木材纤维通常分为两大类:韧型纤维(libriform fibers)和纤维管胞(fiber-tracheids)(图8.5B,C),这两类纤维的细胞壁通常都木质化(lignified)。韧型纤维类似于韧皮部纤维(phloem fibers)。Libriform一词源自拉丁语liber,意为“内树皮”,即韧皮部。尽管长期以来,这两类木材纤维的区分主要基于韧型纤维中具有单纹孔(simple pits)而纤维管胞中具有具缘纹孔(bordered pits)(IAWA命名委员会,1964),但纤维壁中真正的单纹孔极为罕见(Baas,1986)。这两类木材纤维的极端类型很容易区分,但它们之间存在难以察觉的渐变。纤维管胞也与具有明显具缘纹孔的管胞(tracheids)相互渐变(图8.5A)。通常,壁的厚度按管胞、纤维管胞和韧型纤维的顺序增加。此外,在给定的木材样本中,管胞通常较短,而纤维较长,其中韧型纤维达到最大长度。

尽管通常认为木材纤维在成熟时为死细胞,但在许多木本植物中,韧型纤维和纤维管胞中保留了活的原生质体(protoplasts)(Fahn和Leshem,1963;Wolkinger,1971;Dumbroff和Elmore,1977)。(在超过九年的竹秆中发现了具有活原生质体的纤维;Murphy和Alvin,1997。)这些纤维通常含有大量淀粉粒(starch grains);因此,除了支持作用外,它们还具有储存碳水化合物的功能。木材纤维的次生壁与韧皮部纤维的不同之处在于,它们由三层组成,为S1、S2和S3,分别代表外层、中层和内层(第4章)。此外,木材纤维的壁通常木质化。

木质部和木质部外纤维可能具有隔膜或胶质
一些真双子叶植物的韧皮部和/或木质部纤维在次生壁沉积后经历有规律的有丝分裂(mitotic divisions),并被横向壁或隔膜(septae)分割成两个或更多个隔间(图8.6A)(Parameswaran and Liese, 1969; Chalk, 1983; Ohtani, 1987)。这种纤维,被称为隔膜纤维(septate fibers),也出现在一些单子叶植物中,它们的起源是非维管性的(在棕榈类植物 Palmae和竹亚科 Bambusoideae中;Tomlinson, 1961; Parameswaran and Liese, 1977; Gritsch and Murphy, 2005)。(石细胞也可能被隔膜分割;图8.6B;Bailey, 1961。)隔膜由中层(middle lamella)和两个初生壁(primary walls)组成,显然,它们可能被木质化或不被木质化。隔膜与次生壁接触但不融合,并被次生壁与纤维的原始初生壁分开。显然,隔膜的初生壁继续覆盖在纤维次生壁的内表面的一部分或全部(Butterfield and Meylan, 1976; Ohtani, 1987)。分裂后可能会形成额外的次生壁,并覆盖隔膜(图8.6B)。在竹子中,隔膜纤维的特征是具有厚的多层状次生壁。除了中层和初生壁层外,这些纤维的隔膜还具有次生壁层,这些层次继续延伸到纤维的纵向壁上(Parameswaran and Liese, 1977)。胞间连丝(plasmodesmata)经由纤维的隔膜联通原生质体,这些纤维在成熟时是活的。通常在隔膜纤维中发现淀粉,表明这些细胞除了支持作用外,还具有储存功能。一些隔膜纤维还含有草酸钙晶体(Purkayastha, 1958; Chalk, 1983)。

另一种既不是严格木质部也不是木质部外的纤维是胶质纤维(gelatinous fiber)。胶质纤维通过存在所谓的胶质层(G-layer)来识别。胶质层是最内层的次生壁层,由于其高纤维素含量和缺乏木质素(lignin),可以与外部的次生壁层区分开来(图8.7)。G层的纤维素微纤维平行于细胞的长轴排列,因此在偏振光下观察横切面时,该层是各向同性的或略微双折射的(Wardrop, 1964)。由于具有吸湿性,G层能够吸收大量水分。在膨胀时,G层可能会阻塞细胞的腔室;在干燥时,它通常会远离壁的其他部分。胶质纤维已在真双子叶植物的根、茎和叶的木质部和韧皮部中发现(Patel, 1964; Fisher and Stevenson, 1981; Sperry, 1982),并在单子叶植物叶片的非维管组织中发现(Staff, 1974)。它们在张力木(tension wood)中被研究得最为广泛(第11章)。胶质纤维也被称为更通用的术语——反应纤维(reaction fiber),据推测,胶质纤维在发育过程中会收缩,产生足够的收缩力,最终使倾斜或弯曲的茎干朝向更正常的位置弯曲(Fisher and Stevenson, 1981)。叶片中的胶质纤维可能有助于维持叶片相对于重力的方向,并有助于小叶向太阳展示(Sperry, 1982)。
商业纤维分为软纤维和硬纤维
真双子叶植物的韧皮部纤维代表了商业上的韧皮纤维(bast fibers)(Harris, M., 1954; Needles, 1981)。这些纤维被归类为软纤维,因为无论是否木质化,它们都相对柔软且柔韧。一些著名的韧皮纤维来源及其用途包括:大麻(Cannabis sativa),用于绳索;黄麻(Corchorus capsularis),用于绳索、粗纺织品;亚麻(Linum usitatissimum),用于纺织品(如亚麻布)、线;以及苎麻(Boebmeria nivea),用于纺织品。一些真双子叶植物的韧皮纤维用于造纸(Carpenter, 1963)。
单子叶植物的纤维——通常称为叶纤维,因为它们是从叶片中获得的——被归类为硬纤维。它们的壁高度木质化,坚硬且僵硬。叶纤维的来源和用途的例子包括:蕉麻(Musa textilis),用于绳索;虎尾兰(Sansevieria,整个属),用于绳索;龙舌兰与剑麻(龙舌兰属 Agave ),用于绳索、粗纺织品;麻兰(Phormium tenax),用于绳索;以及菠萝纤维(Ananas comosus),用于纺织品。单子叶植物的叶纤维(与木质部一起)用作造纸的原材料(Carpenter, 1963):玉米(Zea mays)、甘蔗(Saccharum officinarum)、西班牙草(Stipa tenacissima)等。
不同物种中单个纤维细胞的长度差异很大。可以从M. Harris(1954)的手册中引用一些长度范围的例子(以毫米为单位)。韧皮纤维:黄麻,0.8-6.0;大麻,5-55;亚麻,9-70;苎麻,50-250。叶纤维:西沙尔麻,0.8-8.0;虎尾兰,1-7;蕉麻,2-12;麻兰,2-15。
在商业中,术语“纤维”(fiber)通常用于指代那些在植物学意义上包含除纤维外的其他类型细胞,甚至根本不是纤维的结构。事实上,从单子叶植物叶片中获得的纤维代表了维管束及其相关的纤维。棉花纤维是棉属 Gossypium种子的表皮毛(第9章);拉菲亚纤维(raffia)由酒椰属 Raphia棕榈的叶片片段组成;藤条(rattan)则由省藤属 Calamus的茎制成。
石细胞
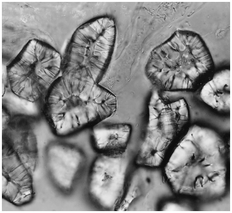
石细胞通常是具有厚次生壁的短细胞,强烈木质化,并具有许多单纹孔。然而,一些石细胞的次生壁相对较薄,可能难以与硬化薄壁细胞区分。另一方面,厚壁形式的石细胞可能与薄壁细胞形成强烈对比:它们的壁可能非常厚,几乎堵塞了细胞腔,其显著的纹孔通常呈分枝状(图8.8)。次生壁通常呈现多层结构,反映了其螺旋状的构造(Roland等,1987,1989)。在某些物种中,晶体嵌入次生壁中(图8.9)(Kuo-Huang,1990)。许多石细胞在成熟时仍保留活的原生质体。

根据形状和大小,石细胞可分为多种类型

最常见的石细胞类型包括:(1) 短石细胞 (brachysclereids 或 stone cells),大致等径或稍长的细胞,广泛分布于茎的皮层、韧皮部和髓部,以及果实的果肉中(图8.8和8.10A–D);(2) 长石细胞 (macrosclereids),细长且柱状(棒状)的细胞,如豆科植物种皮中形成栅栏状表皮层的石细胞(见图8.14);(3) 骨石细胞 (osteosclereids),或骨细胞(bone cells),也是柱状但末端膨大,如某些种皮的亚表皮层中(见图8.14E);(4) 星状石细胞 (astrosclereids),或星形细胞(star-cells),具有从中央体分出的裂片或臂(图8.10L),常见于真双子叶植物的叶片中。其他较少被识别的类型包括毛状石细胞 (trichosclereids),薄壁石细胞,形似毛发,具有延伸到细胞间隙中的分枝状突出,丝状石细胞 (filiform sclereids) 是长而细的细胞,类似于纤维(图 8.10H, I;另见图 8.13)。星状石细胞和毛状石细胞在结构上相似,而毛状石细胞与丝状石细胞之间存在过渡形态。骨状石细胞的末端可能分枝(如图 8.10G 所示),因此它们类似于毛状石细胞。这种分类相当随意,并未涵盖所有已知的石细胞形态(Bailey, 1961; Rao, T. A., 1991)。此外,这种分类的实用性有限,因为正如前所指出的,各种形态之间经常存在过渡。

石细胞像纤维一样广泛分布于植物体中

石细胞在其他细胞中的分布对于植物细胞分化的问题特别有意义。它们可能出现在较为广泛的层或簇中,但经常以孤立的形式出现在其他类型的细胞中,因其厚壁和通常奇特的形状而可能与其他细胞明显不同。作为孤立的细胞,它们被归类为异形细胞 (idioblasts)(Foster, 1956)。异形细胞的分化提出了许多尚未解决的问题,涉及植物组织模式发育中的因果关系。
石细胞出现在表皮、基本组织和维管组织中。在以下段落中,石细胞将通过植物体不同部位的示例进行描述,不包括出现在维管组织中的石细胞。
茎中的石细胞
在球兰(Hoya carnosa)茎的维管区域外围,存在一个连续的石细胞环柱,而在球兰属(Hoya)和罗汉松(Podocarpus)茎的髓部中存在石细胞群。这些石细胞具有中等厚度的壁和许多纹孔(图 8.10C, D)。在形状和大小上,它们类似于邻近的薄壁细胞。这种相似性通常被认为是这些石细胞起源于硬化薄壁细胞的证据。然而,它们的硬化程度已经很高,因此可以将它们归类为石细胞而不是薄壁细胞。这种简单的石细胞类型是短石细胞的典型代表。在昆栏树属(Trochodendron)茎的皮层中发现了高度分枝的星状石细胞(图 8.10L)。在花旗松 (Pseudotsuga taxifolia *注:名称已修订,正名为:Pseudotsuga menziesii) 的皮层中,存在分枝较少的石细胞。

叶片中的石细胞
叶片是石细胞丰富的形态多样性的重要来源,尽管它们在单子叶植物的叶片中较为罕见 (Rao, T. A., and Das, 1979)。在叶肉(mesophyll)中,石细胞主要有两种分布模式:一种是末端分布(terminal),石细胞仅局限于小脉的末端(图 8.11;Arthrocnemum*、石南香属 Boronia、荣桦属、Mouriria*);另一种是弥散分布(diffuse),石细胞单独或成组分散在整个组织中,与脉末端没有任何空间关系(木樨榄属 Olea、木樨属Osmanthus、黄杉属Pseudotsuga、昆栏树属Trochodendron)(Foster, 1956; Rao, T. A., 1991)。在一些保护性的叶结构中,例如大蒜(Allium sativum)的鳞片,石细胞构成了整个表皮的一部分(图 8.12)。

*据多识百科信息,Arthrocnemum为盐角草属(Salicornia)异名;Mouriria为Mouriri(番谷木属)的异名。
具有明确分支或仅具有小刺(短、圆锥形或不规则突起)的石细胞出现在山茶属叶柄的基本组织中(图 8.10E, F)以及昆栏树叶片的叶肉中。木樨属和荣桦属的叶肉中含有柱状的石细胞,两端分叉,即骨状石细胞(图 8.10G)。在Hakea suaveolens的叶片中,末端石细胞显然具有支撑和水分传导的双重功能。当将一段离体的枝条通过切口端吸收荧光染料硫酸小檗碱 (berberine sulfate) 溶液时,叶片中观察到的荧光模式表明,小檗碱溶液从叶脉末端扩大的管胞 (tracheoids) 通过石细胞的弱木质化壁移动到上表皮细胞的壁(HeideJørgensen, 1990)。从表皮,溶液向下移动到栅栏组织(palisade parenchyma)的壁中。显然,石细胞作为叶脉的延伸部分,将水分传导到表皮,并为栅栏细胞提供快速的水分供应。龟背竹(Monstera deliciosa)、睡莲属(Nymphaea)和萍蓬草属(Nuphar)具有典型的毛状石细胞,其分支延伸到大的细胞间隙或气室中,这是这些物种叶片的特征。小的棱柱状晶体*嵌入Nymphaea石细胞的壁中(图 8.9;Kuo-Huang, 1992)。分枝的石细胞可能出现在球果类如花旗松的叶片中。
*原文为“sclereids”,但依照文意及原文献内容,最好认为此处是指晶体。
木樨榄(Olea europaea)叶片的丝状石细胞起源于栅栏组织和海绵组织(spongy parenchyma),平均长度为1毫米,并以密集的网络或垫状形式渗透到叶肉中(图 8.13)。部分网络由 T 形石细胞组成,其基部从上表皮和栅栏组织延伸到下方的海绵组织中。网络的其余部分由分枝的“多态”石细胞组成,这些石细胞横穿叶肉层,呈现出一种被描述为混乱的模式(Karabourniotis et al., 1994)。据称,T 形石细胞能够将光从上表皮传导到海绵组织,表明它们可能像合成光纤一样发挥作用,可能有助于改善这种厚实且紧密的硬叶叶片中叶肉内的光微环境(Karabourniotis等,1994)。常绿硬叶植物总序桂(Phillyrea latifolia)叶片中的骨状石细胞显然在叶肉内起着类似的光导作用(Karabourniotis, 1998)。
果实中的石细胞
石细胞出现在果实的各个部位。在梨(梨属 Pyrus)和榅桲(榅桲属 Cydonia)中,单个或成簇的短石细胞散布在果实的肉质部分(图8.8和8.10A, B)。石细胞簇赋予梨其特有的砂质感。在簇形成过程中,细胞分裂围绕早期形成的一些石细胞同心发生(Staritsky, 1970)。成熟石细胞簇周围的薄壁细胞辐射模式与这种发育方式有关。梨和榅桲的石细胞通常显示出由于壁增厚过程中一个或多个腔融合而形成的分枝状纹孔。
苹果(苹果属 Malus)提供了果实中石细胞的另一个例子。包裹种子的软骨状内果皮由斜向排列的伸长石细胞层组成(图8.10J, K)。石细胞也构成了坚果状果实的硬壳和核果(核果类)的坚硬内果皮。在广泛分布于南部非洲稀树草原地区的Ozoroa paniculosa(漆树科)的核果中,内果皮由连续的长石细胞、骨状石细胞、短石细胞和含晶石细胞层组成(Von Teichman和Van Wyk, 1993)。

种子中的石细胞
种子成熟过程中种皮的硬化通常是由于表皮及其下方一层或多层细胞中次生壁的发育所致。豆科种子提供了这种硬化的良好例子。在菜豆属(Phaseolus)、豌豆属(Pisum)和大豆属(Glycine)的种子中,柱状长石细胞构成表皮,而棱柱状石细胞或骨状石细胞出现在表皮下方(图8.14)。在豌豆种皮发育过程中,长石细胞的前体细胞,原表皮细胞,经历广泛的垂周分裂,随后细胞伸长,然后形成次生壁(Harris, 1983)。骨状石细胞的前体既进行垂周分裂(anticlinal division)又进行平周分裂(periclinal division),但在长石细胞沉积出加厚的次生壁之前,它们不会开始分化成骨状细胞(Harris, W. M., 1984)。次生壁的形成首先发生在发育中的骨状石细胞的中部,阻止了该部位的进一步扩展,而细胞末端薄的原生壁则继续扩展。显然,豌豆种皮中的大石细胞和骨状石细胞都没有木质化。它们的壁上的纹孔不明显。椰子(Cocos nucifera)的种皮含有具有大量分枝状纹孔的石细胞。
纤维和石细胞的起源与发育
正如它们在植物体中的广泛分布所表明的那样,纤维起源于各种分生组织:木质部和韧皮部的纤维来自原形成层(procambium)和维管形成层(vascular cambium);除韧皮部纤维外的大多数木质部外纤维来自基本分生组织;而一些禾本科(Poaceae)和莎草科(Cyperaceae)植物的纤维来自原表皮(protoderm)。石细胞也起源于不同的分生组织:维管组织的石细胞来自原形成层和形成层细胞的衍生物;嵌入木栓组织(cork tissue)中的石细胞来自木栓形成层(cork cambium 或 phellogen);种皮的长石细胞来自原表皮;还有许多其他石细胞来自基本分生组织。
通常较长的纤维以及分枝和长石细胞的发育涉及显著的细胞间调整。特别令人感兴趣的是初生植物体中纤维达到的巨大长度。初生的木质部外纤维在器官伸长之前就已经开始发育,它们可以通过与生长器官中的其他组织同步伸长而达到相当的长度。在这个生长期间,相邻细胞的壁被调整,使得壁之间不会发生分离。这种生长方法被称为协调生长(coordinated growth)(第5章)。年轻的纤维原基(fiber primordium)在不改变细胞接触的情况下增加长度,无论相邻的薄壁组织细胞是否在分裂。初生的木质部外纤维与生长器官中的其他组织同步生长,导致较长的器官中通常发现较长的纤维(Aloni and Gad, 1982)。
一些初生的木质部外纤维达到极大的长度并不仅仅是协调生长的结果。稍后,纤维原基通过侵入生长(intrusive growth)获得额外的长度(第5章)。在侵入生长过程中,伸长的细胞在其顶端生长(顶端侵入生长,apical intrusive growth),通常在两端穿过其他细胞的细胞壁之间。在伸长过程中,由于重复的核分裂而没有形成新的细胞壁,纤维可能变成多核的。这种情况在初生的韧皮部纤维中尤为明显。当纤维仍然存活时,其细胞质表现出旋转流动(rotational streaming),这种现象显然与细胞间物质运输(intercellular transport of materials)有关(Worley, 1968)。
顶端侵入生长已在亚麻纤维中进行了详细研究(Schoch-Bodmer and Huber, 1951)。通过测量年轻和老化的节间(internodes)以及这些节间中包含的纤维,作者计算出仅通过协调生长,纤维可以达到1到1.8cm的长度。实际上,他们发现纤维的长度在0.8到7.5cm之间。因此,超过1.8cm的长度一定是通过顶端侵入生长实现的。从活体茎中解剖出的年轻纤维的生长尖端表现为薄壁,有致密的含叶绿体的细胞质(图8.15A-C),并且不是可质壁分离的(plasmolyzable)。当尖端停止生长时,它们被次生壁物质填满(图8.15D-F)。

与同时经历协调生长和侵入生长的初生纤维不同,次生纤维起源于已经停止伸长的器官部分,它们只能通过侵入生长增加长度(Wenham and Cusick, 1975)。次生韧皮部纤维和次生木质部纤维的长度取决于形成层初始细胞(cambial initials)的长度以及源自这些初始细胞的纤维原基侵入生长的量。如果存在初生和次生韧皮部纤维,前者明显更长。例如,在大麻(Cannabis)中,初生韧皮部纤维的平均长度约为13mm,次生韧皮部纤维约为2mm(Kundu, 1942)。
在茎和根的横切面中,可以通过在纤维原基较宽且不伸长的部分中出现的小细胞——生长尖端的横切面——来识别侵入生长。Sparmannia*(椴树科)的次生维管组织为这一现象提供了生动的图示(图8.16;Schoch-Bodmer和Huber,1946)。在形成层中看到的细胞有序的径向排列被韧皮部轴向系统中的镶嵌模式所取代。在给定的横切面中,通过侵入伸长,每个纤维原基之间的较宽部分(在图8.16A中用斜线表示)都紧邻着三到五个生长中的纤维尖端。木质部轴向系统中的径向排列受到的影响较小,因为木质部纤维的伸长不如韧皮部纤维(图8.15G-K)。如径向纵切面所示,纤维的双极顶端生长使这些细胞延伸到它们起始的形成层细胞水平线的两侧之外(图8.16B)。
当在侵入生长过程中,纤维尖端被其他细胞阻挡时,尖端会弯曲或分叉(图8.15I,J)。因此,纤维(和石细胞)中的弯曲和分叉末端是侵入生长的额外证据。侵入生长的部分通常不会在其次生壁中发育纹孔,因此可以作为顶端伸长量的衡量标准(图8.15G-K;Schoch-Bodmer,1960)。
纤维和一些石细胞的长期顶端侵入生长使得这些细胞壁的次生加厚成为一个相当复杂的现象。如前所述,次生壁通常在初生壁停止扩展后在其上发育(第4章)。在侵入生长的纤维和石细胞中,细胞的较老部分停止生长,而顶端继续伸长。细胞的较老部分(通常是中部部分)在尖端生长完成之前开始形成次生壁层。从细胞的中部部分开始,次生加厚向尖端推进,并在尖端停止生长后完成。
在苎麻(Boehmeria nivea)快速生长的茎中,较长的初生韧皮部纤维(40-55厘米)在其扩大的后期阶段延伸通过已经停止伸长的节间(Aldaba,1927)。这些纤维的长度增加了(最初约为20微米)约25000倍,这一渐进过程显然需要数月才能完成。次生壁的形成从细胞的基部开始,并继续向上向伸长的尖端推进,形成一系列同心层。当纤维完成其伸长时,内部的管状细胞壁层继续向上生长,在连续的间隔中到达细胞的尖端。
石细胞要么直接起源于早期分化为石细胞的细胞,要么通过普通薄壁细胞的晚期硬化(sclerosis)形成。在Mouriria huberi *1 叶片中,末端石细胞的原基或起始细胞(initials)在叶肉中出现细胞间隙之前和小叶脉还完全处于原形成层阶段时就已经明显可见(Foster, 1947)。它们起源于与原形成层束相同的细胞层。龟背竹属(Monstera)气生根的毛状石细胞(trichosclereids)由皮层细胞(cortical cells)通过不等与极化分裂分离出来的细胞发育而来(Bloch, 1946)。相比之下,木樨属(Osmanthus )叶片的石细胞在叶片长到5-6厘米时才首次显现,此时叶片已接近其全长的一半(图8.17; Griffith 1968)。在这个阶段,主要叶脉的大部分木质部和韧皮部已经成熟,与叶脉相连的纤维可以被辨认出来,但没有明显的加厚。次生韧皮部中薄壁细胞的硬化通常发生在非传导性韧皮部中,即不再参与长距离运输的韧皮部部分(第14章; Esau, 1969; Nanko, 1979)。例如,在栎属(Quercus)中,石细胞在几年生的韧皮部中分化,首先出现在射线中,随后出现在扩张组织(dilatation tissue)(参与树皮周长增加的组织)中,形成大小不一的簇。在一些木本被子植物的非传导韧皮部中,纤维状石细胞(fiber-sclereids)由纺锤形薄壁细胞(fusiform parenchyma cells)或薄壁细胞束的单个细胞发育而来。在西洋梨(Pyrus communis)(Evert, 1961)和苹果(Pyrus malus;Malus domestica)*(Evert, 1963)次生韧皮部中,纤维状石细胞起源于从维管形成层衍生出来的薄壁细胞束,在第二个生长季形成。此时,束中的单个细胞经历强烈的侵入生长,然后形成次生壁。在木麒麟属 Pereskia(仙人掌科,Cactaceae)的非传导次生韧皮部中,一些具有多层次生壁的石细胞被隔膜分隔成多个小室,每个小室都分化成一个具有多层次生壁的石细胞(图8.6B; Bailey, 1961)。这种石细胞让人联想到竹子中的分隔纤维(Parameswaran and Liese, 1977)。
*1Mouriria huberi 的正名应为Mouriri huberi;2本段中苹果的两个拉丁名均为异名,现正名为Malus pumila。


石细胞原基在外观上可能与邻近的薄壁细胞没有区别。通常,异形石细胞的原基可以通过其大而明显的细胞核并且通常致密的细胞质,与其他细胞区分开来(Boyd等, 1982; Heide-Jørgensen, 1990)。
控制纤维和石细胞发育的因素
控制纤维和石细胞发育的因素已成为众多实验研究的对象。Sachs(1972)和Aloni(1976, 1978)的研究表明,纤维束的发育依赖于幼叶原基产生的诱导物。在豌豆(Pisum sativum)中,早期移除原基会阻止纤维分化;实验性地改变叶片的位置也会改变纤维束的位置(Sachs, 1972)。豌豆属研究的结果在鞘蕊花属(Coleus,属唇形科)中得到了证实,其中还表明初生韧皮部纤维的诱导是一个严格极性的过程,从叶片向下到根部(Aloni, 1976, 1978)。此外,研究表明,叶片对鞘蕊花属初生韧皮部纤维分化的影响可以通过外源施用生长素(auxin, IAA)与赤霉素(gibberellin, GA3)的组合来替代(Aloni, 1979)。单独施用IAA仅诱导少量纤维的分化;单独施用GA3对纤维分化没有影响。当两种激素以不同组合施用时,高浓度的IAA刺激了厚壁纤维的快速分化,而高浓度的GA3则导致长而薄壁的纤维形成。这两种激素也是杨属(Populus)次生木质部纤维发育所必需的(Digby and Wareing, 1966)。源自根部的细胞分裂素(cytokinin)似乎也在次生木质部纤维的发育中起到调节作用(Aloni, 1982; Saks et al., 1984)。
已发现几种影响花序茎束间区域纤维发育的拟南芥属(Arabidopsis)突变体(Turner and Somerville, 1997; Zhong et al., 1997; Turner and Hall, 2000; Burk et al., 2001)。特别引人注目的是interfascicular fiberless1 (ifl1)突变体,其中束间(木质部外)纤维未能发育(Zhong et al., 1997),这表明INTERFASCICULAR FIBERLESS1 (IFL1)基因(被发现与REVOLUTA (REV)基因相同,Ratcliffe et al., 2000)对于束间纤维的正常分化至关重要。它也是次生木质部正常发育所必需的。IFL1/REV基因在纤维分化的束间区域以及维管区域中表达(Zhong and Ye, 1999)。生长素极性运输的测定显示,ifl1突变体中沿花序茎的生长素流动显著减少。此外,生长素运输抑制剂改变了野生型植物花序茎中束间纤维的正常分化(Zhong and Ye, 2001)。ifl1突变体中生长素极性流动减少与纤维分化改变之间的明显相关性表明,IFL1/REV基因可能参与控制沿束间区域的生长素流动。另一项实验研究的结果(Little et al., 2002)清楚地表明,改变生长素供应后,拟南芥花序茎中束间纤维的壁增厚和木质化需要IAA。
在叶片(山茶,Camellia japonica,Foard,1959;Magnolia thamnodes*1,Talauma villosa*2,Tucker,1975)中进行切割(这些叶片通常具有叶缘石细胞)后诱导了石细胞沿“新”边缘的分化。当双子叶植物茎的厚壁组织圆柱体因节间一侧被切割而中断时,圆柱体的连续性通过伤口愈伤组织(wound callus)内石细胞的分化得以恢复(Warren Wilson等,1983)。这些实验的结果被解释为石细胞发育的位置控制(positional control)的证据。在叶片中,通常会成为专门进行光合作用的叶肉细胞的细胞,当被带到边缘附近时,被诱导发育成石细胞。在茎中,再生的石细胞的排列往往反映了未受伤茎中原始厚壁组织(主要是或大部分是纤维)圆柱体的结构。对激素因素的研究表明,叶片中的生长素水平影响石细胞的发育(Al-Talib和Torrey,1961;Rao, A. N.和Singarayar,1968)。当生长素浓度高时,发育受到抑制,而在低浓度生长素下,细胞壁保持薄且不木质化。有趣的是,通过移除正在发育的花序,诱导了拟南芥(Arabidopsis thaliana)髓部中石细胞的分化(Lev-Yadun,1997)。成熟对照植物的髓部没有石细胞。
*1其正名应为Magnolia liliifera,中名为黄花玉兰;2其正名应为Magnolia villosa。
施工完成(^w^)